проектировщика
Блог Алексея Гольцова
г. Москва, дачный поселок Кокошкино

Сделано:
35 рабочих дней
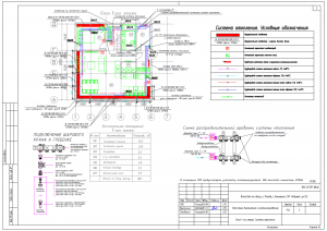
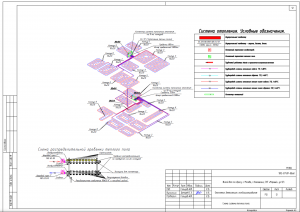
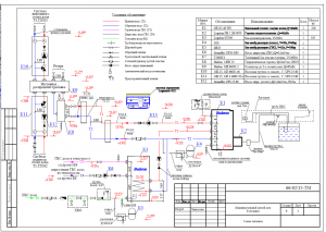
Жилой дом с сплошным фасадным остеклением и теплотрассой с отдельно стоящей котельной. Дизельный котел марки Buderus с баками для хранения топлива объемом 4000м3. Система вентиляции в функцией VAV и приточными клапами ЭКО-Свежесть для камина Sinicon. Котельная на базе напольного атмосферного котла Buderus 73 кВт.






Перетащите файлы в эту область или выберите на компьютере.
Не более 5 файлов, не более 8 Мб.
Согласен с Политикой конфиденциальности
Отопление
Принудительная вентиляция
Кондиционирование
Водоснабжение и канализация
Электроснабжение и освещение
Слаботочные сети
Перетащите файлы в эту область или выберите на компьютере.
Не более 5 файлов, не более 8 Мб.
Согласен с Политикой конфиденциальности